340 N. Milburn Rd.
,
Fairview, UT
84629
Get Financed Now
(435) 427-3338
Toggle navigation
Fairview, UT
Home
Inventory
In-Stock Inventory
Pre-Owned Inventory
Manufacturer Models
Can-Am
Ski-Doo
Lynx
Kawasaki
Yamaha
CFMOTO
Segway
Vanderhall
Trailers
Bicycles
OEM Promotions
Value Your Trade
Shopping
Shop At Big Pine
Catalogs
Ruthless Motor Sports
Shopping Cart
Parts Fiche
Services
Service Department
Parts Department
Secure Financing
Specials
Rentals
Dealer Info
About Us
Our Staff
Map & Hours
Photo Gallery
Customer Survey
Testimonials
Employment
Links
SxS Give-Away
Calender
Contact Us
Events
Parts Fiche
Home
›
Shopping
›
Parts Fiche
Search by :
Part / Desc
VIN
Please Select
Can-Am
Kawasaki
Ski-Doo
Yamaha
*Please enter at least 3 characters
SEARCH
Manufacturer
Yamaha
Snowmobiles
2024
SIDEWINDER LTX LE EP (SW1NLLPRL)
VIEW WISH LIST
Select a Section
Show/Hide
ALTERNATE CLUTCH TUNE UP KIT
ALTERNATE DRIVE SETTING 1
ALTERNATE DRIVE SETTING 2
ALTERNATE REBUILD KIT
BRAKE
BRAKE 2
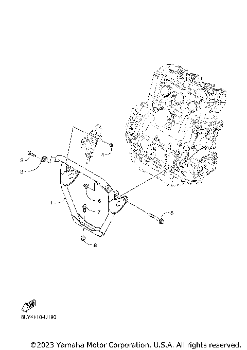
BUMPER
CAMSHAFT & CHAIN
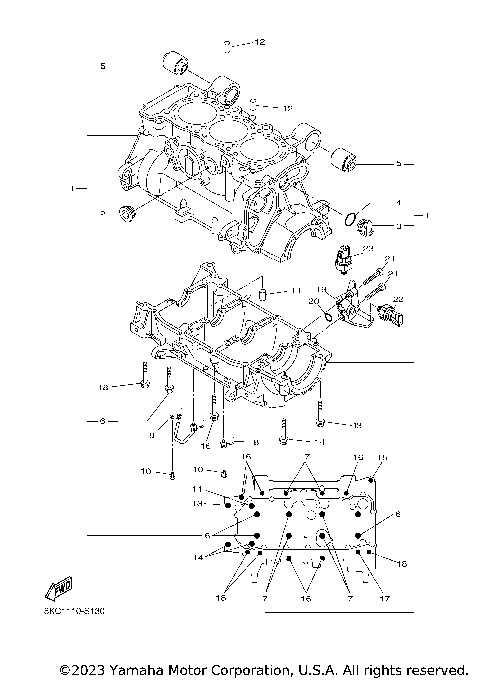
CRANKCASE
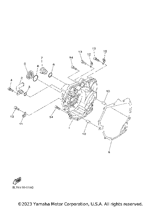
CRANKCASE COVER 1
CRANKSHAFT & PISTON
CYLINDER HEAD
ELECTRICAL 1
ELECTRICAL 2
ELECTRICAL 3
ENGINE BRACKET
ENGINE BRACKET 2
EXHAUST
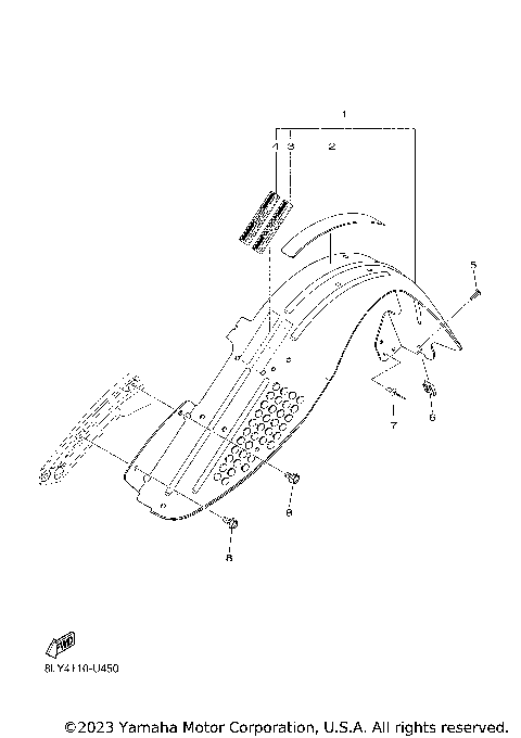
FRAME 1
FRAME 2
FRONT SUSPENSION
FRONT SUSPENSION 2
FUEL TANK
GENERATOR
GRAPHIC & EMBLEM
GUARD & LUGGAGE BOX
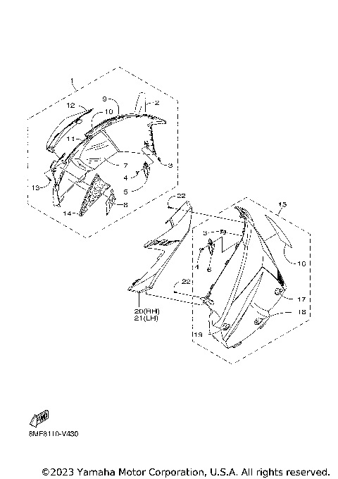
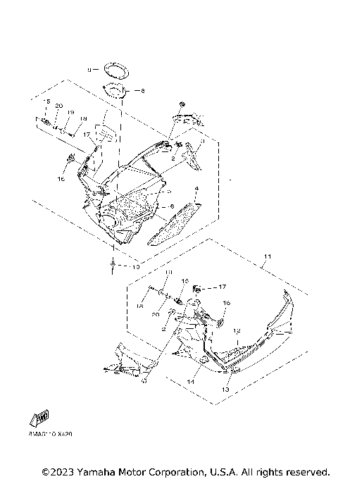
HOOD
INSTRUMENT PANEL
INSTRUMENT PANEL 2
INTAKE
INTAKE 2
OIL CLEANER
OIL PUMP
OIL TANK
PRIMARY SHEAVE
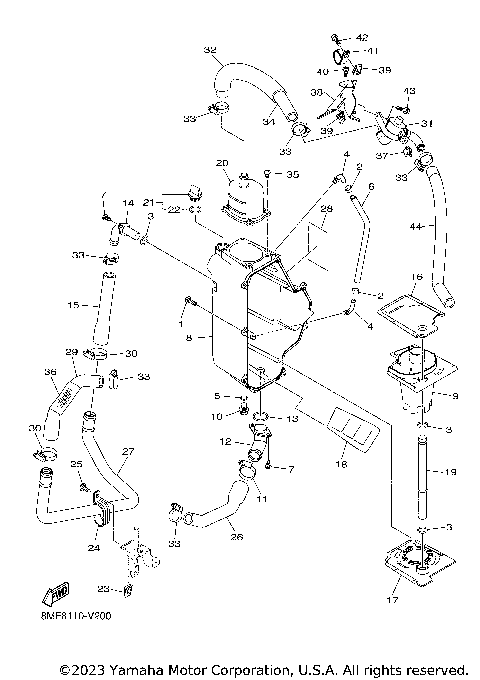
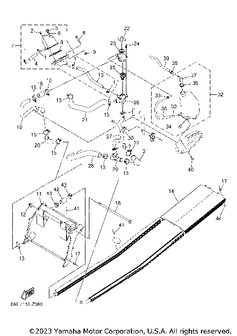
RADIATOR & HOSE
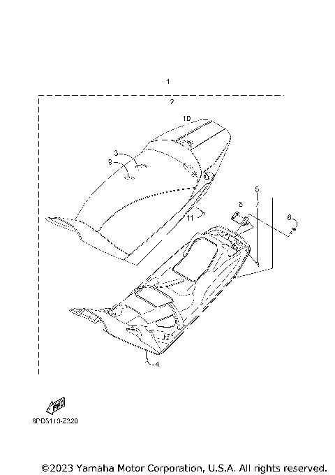
SEAT
SECONDARY SHEAVE
SHROUD
SIDE PANEL
SKI
STARTER
STARTING MOTOR
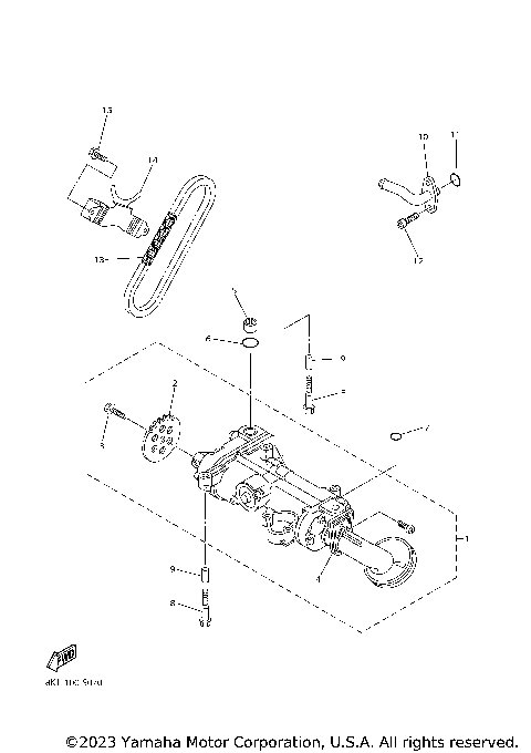
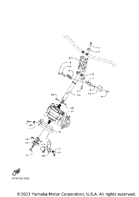
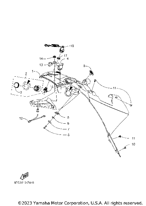
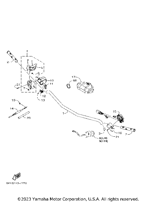
STEERING
STEERING 2
STEERING 3
STEERING GATE
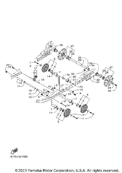
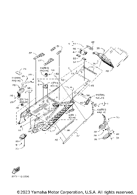
TRACK DRIVE 1
TRACK DRIVE 2
TRACK SUSPENSION 1
TRACK SUSPENSION 2
TRACK SUSPENSION 3
TRACK SUSPENSION 4
TURBO CHARGER
VALVE
WATER PUMP
ALTERNATE CLUTCH TUNE UP KIT
ALTERNATE DRIVE SETTING 1
ALTERNATE DRIVE SETTING 2
ALTERNATE REBUILD KIT
BRAKE
BRAKE 2
BUMPER
CAMSHAFT & CHAIN
CRANKCASE
CRANKCASE COVER 1
CRANKSHAFT & PISTON
CYLINDER HEAD
ELECTRICAL 1
ELECTRICAL 2
ELECTRICAL 3
ENGINE BRACKET
ENGINE BRACKET 2
EXHAUST
FRAME 1
FRAME 2
FRONT SUSPENSION
FRONT SUSPENSION 2
FUEL TANK
GENERATOR
GRAPHIC & EMBLEM
GUARD & LUGGAGE BOX
HOOD
INSTRUMENT PANEL
INSTRUMENT PANEL 2
INTAKE
INTAKE 2
OIL CLEANER
OIL PUMP
OIL TANK
PRIMARY SHEAVE
RADIATOR & HOSE
SEAT
SECONDARY SHEAVE
SHROUD
SIDE PANEL
SKI
STARTER
STARTING MOTOR
STEERING
STEERING 2
STEERING 3
STEERING GATE
TRACK DRIVE 1
TRACK DRIVE 2
TRACK SUSPENSION 1
TRACK SUSPENSION 2
TRACK SUSPENSION 3
TRACK SUSPENSION 4
TURBO CHARGER
VALVE
WATER PUMP
VIEW WISH LIST