340 N. Milburn Rd.
,
Fairview, UT
84629
Get Financed Now
(435) 427-3338
Toggle navigation
Fairview, UT
Home
Inventory
In-Stock Inventory
Pre-Owned Inventory
Manufacturer Models
Can-Am
Ski-Doo
Lynx
Kawasaki
Yamaha
CFMOTO
Segway
Vanderhall
Trailers
Bicycles
OEM Promotions
Value Your Trade
Shopping
Shop At Big Pine
Catalogs
Ruthless Motor Sports
Shopping Cart
Parts Fiche
Services
Service Department
Parts Department
Secure Financing
Specials
Rentals
Dealer Info
About Us
Our Staff
Map & Hours
Photo Gallery
Customer Survey
Testimonials
Employment
Links
SxS Give-Away
Calender
Contact Us
Events
Parts Fiche
Home
›
Shopping
›
Parts Fiche
Search by :
Part / Desc
VIN
Please Select
Can-Am
Kawasaki
Ski-Doo
Yamaha
*Please enter at least 3 characters
SEARCH
Manufacturer
Yamaha
Snowmobiles
2021
SRX120R (SRX1NML)
VIEW WISH LIST
Select a Section
Show/Hide
AIR SHROUD & STARTER
CAMSHAFT & VALVE
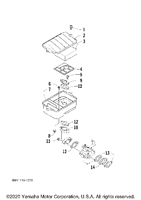
CARBURETOR
CRANKCASE
CRANKSHAFT & PISTON
CYLINDER HEAD
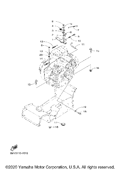
ENGINE ASSEMBLY
EXHAUST
FRAME
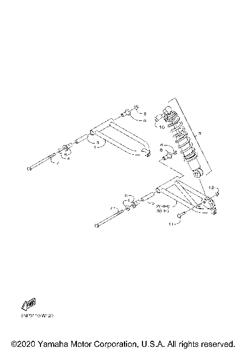
FRONT SUSPENSION
GENERATOR
GOVERNOR
GRAPHIC & EMBLEM
INTAKE
SEAT
SHROUD & WINDSHIELD
SKI
STEERING
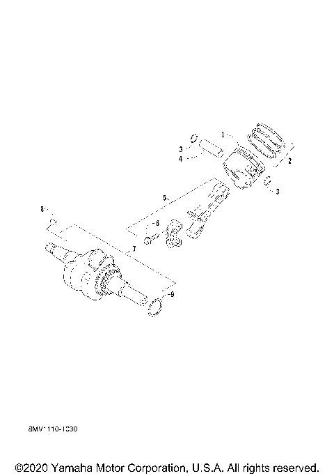
TRACK DRIVE 1
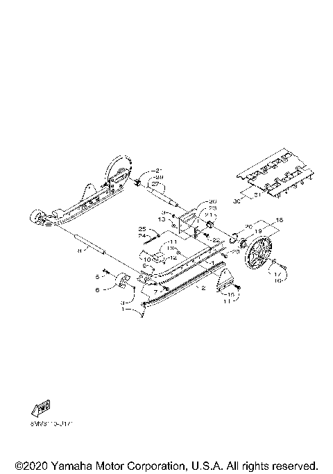
TRACK SUSPENSION 1
TRACK SUSPENSION 2
AIR SHROUD & STARTER
CAMSHAFT & VALVE
CARBURETOR
CRANKCASE
CRANKSHAFT & PISTON
CYLINDER HEAD
ENGINE ASSEMBLY
EXHAUST
FRAME
FRONT SUSPENSION
GENERATOR
GOVERNOR
GRAPHIC & EMBLEM
INTAKE
SEAT
SHROUD & WINDSHIELD
SKI
STEERING
TRACK DRIVE 1
TRACK SUSPENSION 1
TRACK SUSPENSION 2
VIEW WISH LIST