340 N. Milburn Rd.
,
Fairview, UT
84629
Get Financed Now
(435) 427-3338
Toggle navigation
Fairview, UT
Home
Inventory
In-Stock Inventory
Pre-Owned Inventory
Manufacturer Models
Can-Am
Ski-Doo
Lynx
Kawasaki
Yamaha
CFMOTO
Segway
Vanderhall
Trailers
Bicycles
OEM Promotions
Value Your Trade
Shopping
Shop At Big Pine
Catalogs
Ruthless Motor Sports
Shopping Cart
Parts Fiche
Services
Service Department
Parts Department
Secure Financing
Specials
Rentals
Dealer Info
About Us
Our Staff
Map & Hours
Photo Gallery
Customer Survey
Testimonials
Employment
Links
SxS Give-Away
Calender
Contact Us
Events
Parts Fiche
Home
›
Shopping
›
Parts Fiche
Search by :
Part / Desc
VIN
Please Select
Can-Am
Kawasaki
Ski-Doo
Yamaha
*Please enter at least 3 characters
SEARCH
Manufacturer
Yamaha
Snowmobiles
2008
RS VECTOR LTX GT RS90LTGTXL/RS90LTXB
VIEW WISH LIST
Select a Section
Show/Hide
ALTERNATE CLUTCH TUNE UP KIT
ALTERNATE DRIVE SETTING 1
ALTERNATE DRIVE SETTING 2
ALTERNATE REAR SUSPENSION
ALTERNATE REAR VIEW MIRROR
ALTERNATE REBUILD KIT
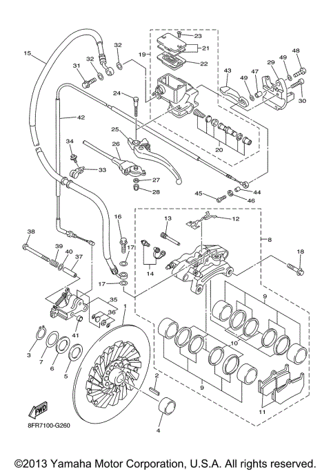
BRAKE
BUMPER
CAMSHAFT CHAIN
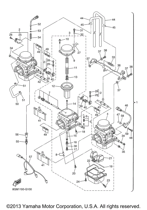
CARBURETOR
CONTROL CABLE
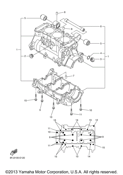
CRANKCASE
CRANKCASE COVER 1
CRANKSHAFT PISTON
CYLINDER HEAD
ELECTRICAL 1
ELECTRICAL 2
ELECTRICAL 3
EMBLEM
ENGINE BRACKET
EXHAUST
FRAME
FUEL TANK
GENERATOR
GUARD LUGGAGE BOX
HANDLE SWITCH LEVER
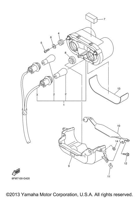
HEADLIGHT
INSTRUMENT PANEL
INTAKE
METER
OIL CLEANER
OIL PUMP
OIL TANK
PRIMARY SHEAVE
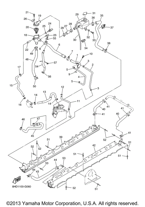
RADIATOR HOSE
SEAT
SECONDARY SHEAVE
SHROUD
SKI
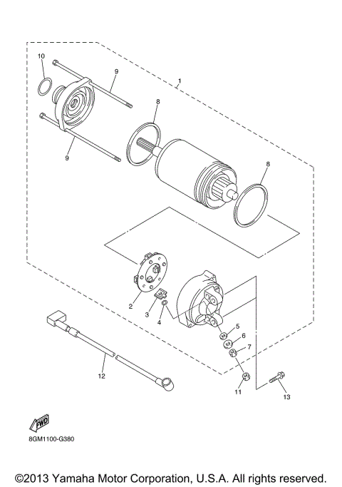
STARTER
STARTING MOTOR
STEERING
STEERING GATE
TAILLIGHT
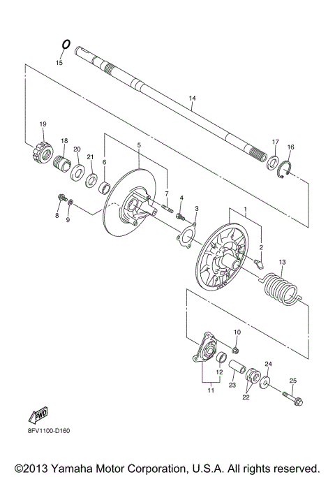
TRACK DRIVE 1
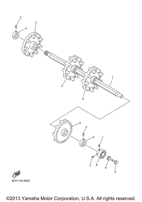
TRACK DRIVE 2
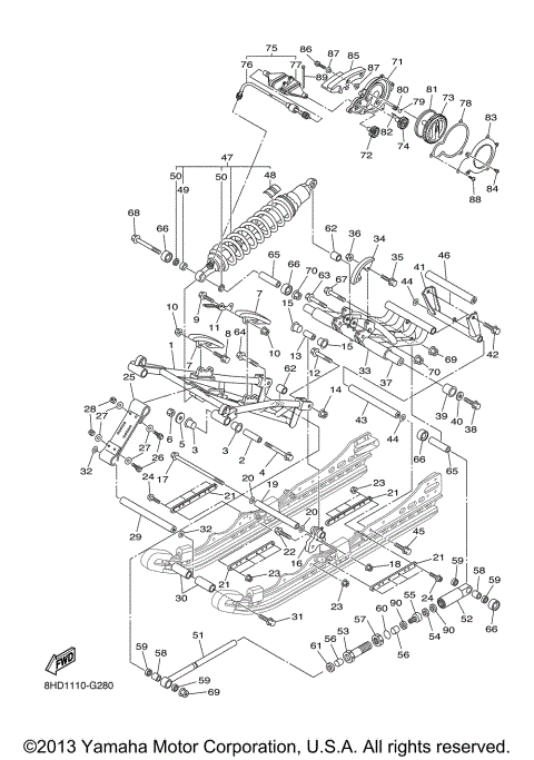
TRACK SUSPENSION 1
TRACK SUSPENSION 2
VALVE
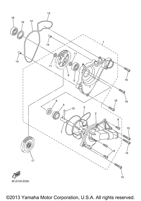
WATER PUMP
WINDSHIELD
ALTERNATE CLUTCH TUNE UP KIT
ALTERNATE DRIVE SETTING 1
ALTERNATE DRIVE SETTING 2
ALTERNATE REAR SUSPENSION
ALTERNATE REAR VIEW MIRROR
ALTERNATE REBUILD KIT
BRAKE
BUMPER
CAMSHAFT CHAIN
CARBURETOR
CONTROL CABLE
CRANKCASE
CRANKCASE COVER 1
CRANKSHAFT PISTON
CYLINDER HEAD
ELECTRICAL 1
ELECTRICAL 2
ELECTRICAL 3
EMBLEM
ENGINE BRACKET
EXHAUST
FRAME
FUEL TANK
GENERATOR
GUARD LUGGAGE BOX
HANDLE SWITCH LEVER
HEADLIGHT
INSTRUMENT PANEL
INTAKE
METER
OIL CLEANER
OIL PUMP
OIL TANK
PRIMARY SHEAVE
RADIATOR HOSE
SEAT
SECONDARY SHEAVE
SHROUD
SKI
STARTER
STARTING MOTOR
STEERING
STEERING GATE
TAILLIGHT
TRACK DRIVE 1
TRACK DRIVE 2
TRACK SUSPENSION 1
TRACK SUSPENSION 2
VALVE
WATER PUMP
WINDSHIELD
VIEW WISH LIST