340 N. Milburn Rd.
,
Fairview, UT
84629
Get Financed Now
(435) 427-3338
Toggle navigation
Fairview, UT
Home
Inventory
In-Stock Inventory
Pre-Owned Inventory
Manufacturer Models
Can-Am
Ski-Doo
Lynx
Kawasaki
Yamaha
CFMOTO
Segway
Vanderhall
Trailers
Bicycles
OEM Promotions
Value Your Trade
Shopping
Shop At Big Pine
Catalogs
Ruthless Motor Sports
Shopping Cart
Parts Fiche
Services
Service Department
Parts Department
Secure Financing
Specials
Rentals
Dealer Info
About Us
Our Staff
Map & Hours
Photo Gallery
Customer Survey
Testimonials
Employment
Links
SxS Give-Away
Calender
Contact Us
Events
Parts Fiche
Home
›
Shopping
›
Parts Fiche
Search by :
Part / Desc
VIN
Please Select
Can-Am
Kawasaki
Ski-Doo
Yamaha
*Please enter at least 3 characters
SEARCH
Manufacturer
Yamaha
Motorcycles
2015
PW50 PW50F1
VIEW WISH LIST
Select a Section
Show/Hide
CARBURETOR
CLUTCH
CRANKCASE
CRANKSHAFT PISTON
CYLINDER
DRIVE SHAFT
ELECTRICAL 1
EXHAUST
FRAME
FRONT FENDER
FRONT FORK
FRONT WHEEL
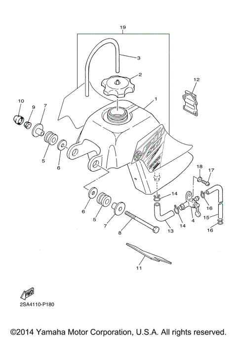
FUEL TANK
GENERATOR
HANDLE SWITCH LEVER
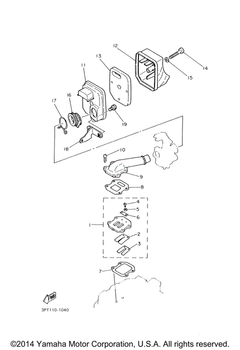
INTAKE
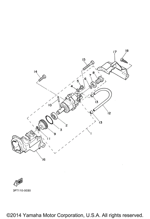
OIL PUMP
OIL TANK
REAR ARM SUSPENSION
REAR WHEEL
SEAT
SIDE COVER
STAND FOOTREST
STARTER
STEERING HANDLE CABLE
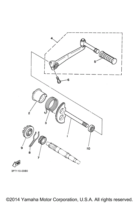
TRANSMISSION
CARBURETOR
CLUTCH
CRANKCASE
CRANKSHAFT PISTON
CYLINDER
DRIVE SHAFT
ELECTRICAL 1
EXHAUST
FRAME
FRONT FENDER
FRONT FORK
FRONT WHEEL
FUEL TANK
GENERATOR
HANDLE SWITCH LEVER
INTAKE
OIL PUMP
OIL TANK
REAR ARM SUSPENSION
REAR WHEEL
SEAT
SIDE COVER
STAND FOOTREST
STARTER
STEERING HANDLE CABLE
TRANSMISSION
VIEW WISH LIST