340 N. Milburn Rd.
,
Fairview, UT
84629
Get Financed Now
(435) 427-3338
Toggle navigation
Fairview, UT
Home
Inventory
In-Stock Inventory
Pre-Owned Inventory
Manufacturer Models
Can-Am
Ski-Doo
Lynx
Kawasaki
Yamaha
CFMOTO
Segway
Vanderhall
Trailers
Bicycles
OEM Promotions
Value Your Trade
Shopping
Shop At Big Pine
Catalogs
Ruthless Motor Sports
Shopping Cart
Parts Fiche
Services
Service Department
Parts Department
Secure Financing
Specials
Rentals
Dealer Info
About Us
Our Staff
Map & Hours
Photo Gallery
Customer Survey
Testimonials
Employment
Links
SxS Give-Away
Calender
Contact Us
Events
Parts Fiche
Home
›
Shopping
›
Parts Fiche
Search by :
Part / Desc
VIN
Please Select
Can-Am
Kawasaki
Ski-Doo
Yamaha
*Please enter at least 3 characters
SEARCH
Manufacturer
Yamaha
Motorcycles
2011
V STAR 1300 XVS13AAB/XVS13AACB
VIEW WISH LIST
Select a Section
Show/Hide
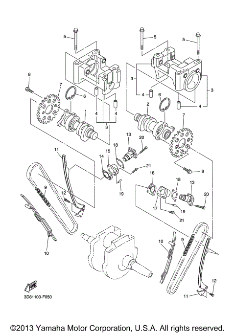
CAMSHAFT CHAIN
CLUTCH
CRANKCASE
CRANKCASE COVER 1
CRANKSHAFT PISTON
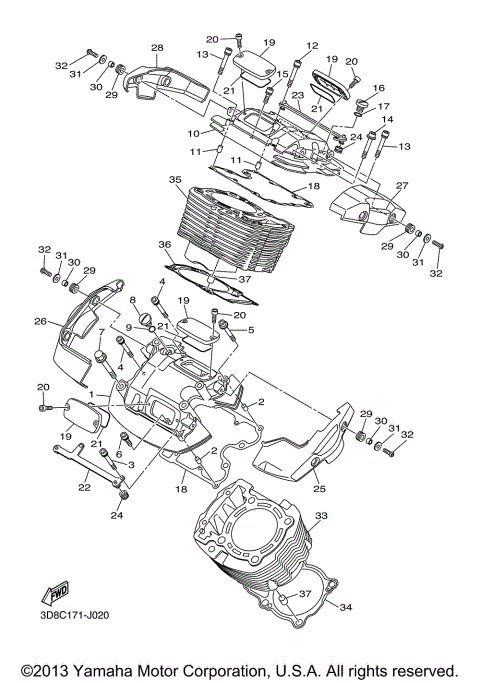
CYLINDER
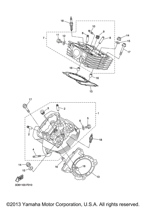
CYLINDER HEAD
ELECTRICAL 1
ELECTRICAL 2
EXHAUST
FENDER
FLASHER LIGHT
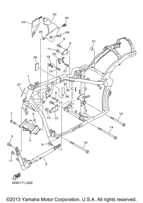
FRAME
FRONT BRAKE CALIPER
FRONT FORK
FRONT MASTER CYLINDER
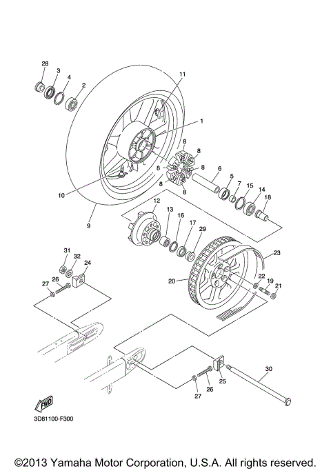
FRONT WHEEL
FUEL TANK
GENERATOR
HANDLE SWITCH LEVER
HEADLIGHT
INTAKE 1
INTAKE 2
METER
OIL CLEANER
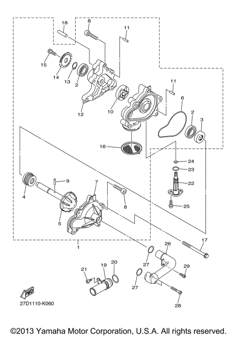
OIL PUMP
RADIATOR HOSE
REAR ARM SUSPENSION
REAR BRAKE CALIPER
REAR MASTER CYLINDER
REAR WHEEL
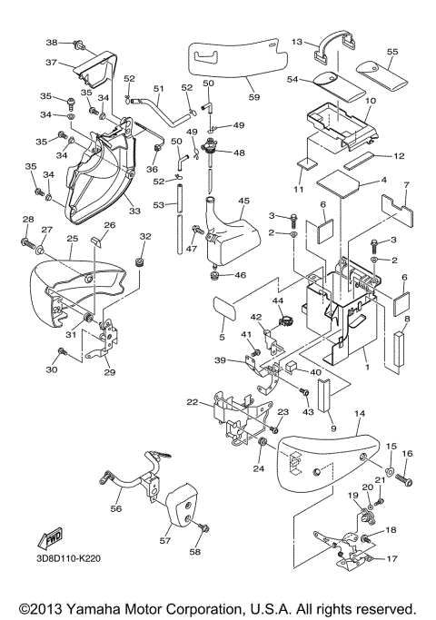
SEAT
SHIFT CAM FORK
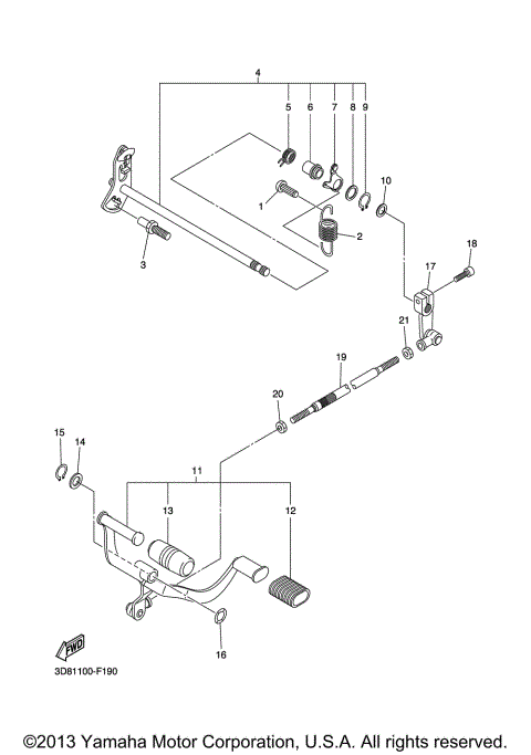
SHIFT SHAFT
SIDE COVER
STAND FOOTREST
STARTER
STEERING
STEERING HANDLE CABLE
TAILLIGHT
TRANSMISSION
VALVE
WATER PUMP
CAMSHAFT CHAIN
CLUTCH
CRANKCASE
CRANKCASE COVER 1
CRANKSHAFT PISTON
CYLINDER
CYLINDER HEAD
ELECTRICAL 1
ELECTRICAL 2
EXHAUST
FENDER
FLASHER LIGHT
FRAME
FRONT BRAKE CALIPER
FRONT FORK
FRONT MASTER CYLINDER
FRONT WHEEL
FUEL TANK
GENERATOR
HANDLE SWITCH LEVER
HEADLIGHT
INTAKE 1
INTAKE 2
METER
OIL CLEANER
OIL PUMP
RADIATOR HOSE
REAR ARM SUSPENSION
REAR BRAKE CALIPER
REAR MASTER CYLINDER
REAR WHEEL
SEAT
SHIFT CAM FORK
SHIFT SHAFT
SIDE COVER
STAND FOOTREST
STARTER
STEERING
STEERING HANDLE CABLE
TAILLIGHT
TRANSMISSION
VALVE
WATER PUMP
VIEW WISH LIST