340 N. Milburn Rd.
,
Fairview, UT
84629
Get Financed Now
(435) 427-3338
Toggle navigation
Fairview, UT
Home
Inventory
In-Stock Inventory
Pre-Owned Inventory
Manufacturer Models
Can-Am
Ski-Doo
Lynx
Kawasaki
Yamaha
CFMOTO
Segway
Vanderhall
Trailers
Bicycles
OEM Promotions
Value Your Trade
Shopping
Shop At Big Pine
Catalogs
Ruthless Motor Sports
Shopping Cart
Parts Fiche
Services
Service Department
Parts Department
Secure Financing
Specials
Rentals
Dealer Info
About Us
Our Staff
Map & Hours
Photo Gallery
Customer Survey
Testimonials
Employment
Links
SxS Give-Away
Calender
Contact Us
Events
Parts Fiche
Home
›
Shopping
›
Parts Fiche
Search by :
Part / Desc
VIN
Please Select
Can-Am
Kawasaki
Ski-Doo
Yamaha
*Please enter at least 3 characters
SEARCH
Manufacturer
Yamaha
Motorcycles
2008
YZ250F YZ250FXL/YZ250FXW
VIEW WISH LIST
Select a Section
Show/Hide
ALTERNATE FOR CHASSIS
CAMSHAFT CHAIN
CARBURETOR
CLUTCH
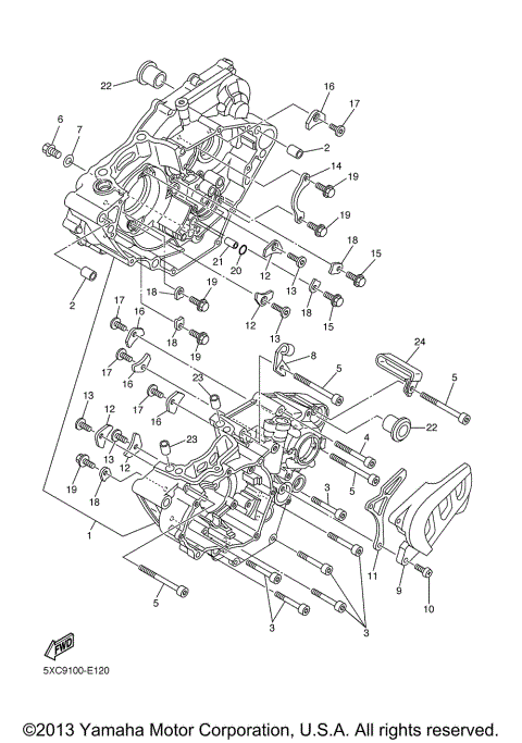
CRANKCASE
CRANKCASE COVER 1
CRANKSHAFT PISTON
CYLINDER
ELECTRICAL 1
EXHAUST
FENDER
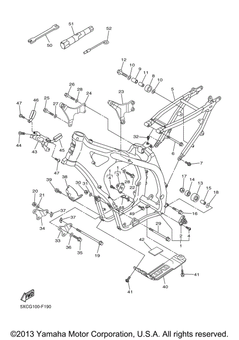
FRAME
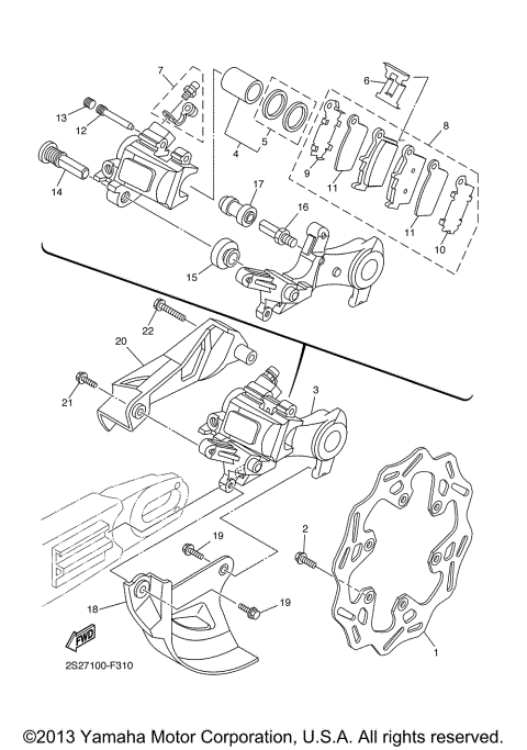
FRONT BRAKE CALIPER
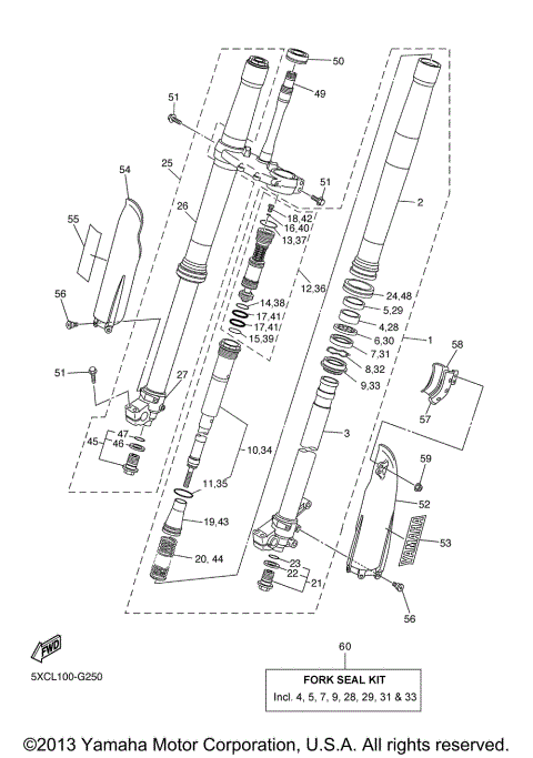
FRONT FORK
FRONT MASTER CYLINDER
FRONT WHEEL
FRONT WHEEL KIT
FUEL TANK
GASKET KITS
GENERATOR
HANDLE SWITCH LEVER
INTAKE
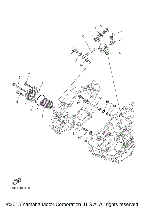
OIL CLEANER
OIL PUMP
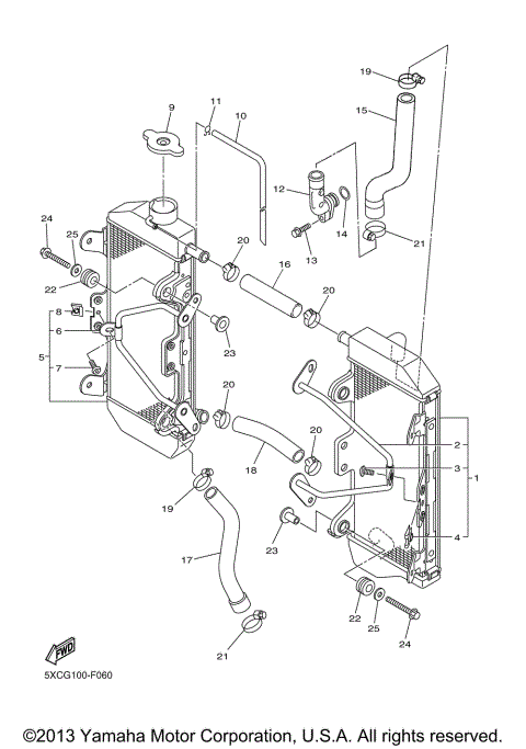
RADIATOR HOSE
REAR ARM
REAR BRAKE CALIPER
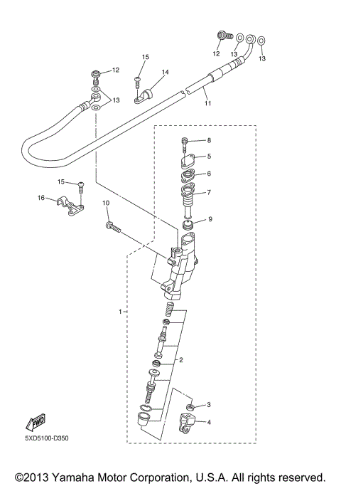
REAR MASTER CYLINDER
REAR SUSPENSION
REAR WHEEL
REAR WHEEL KIT
SEAT
SHIFT CAM FORK
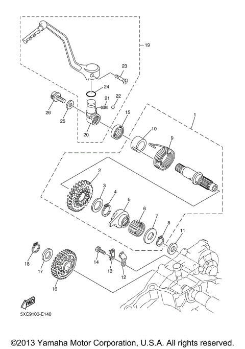
SHIFT SHAFT
SIDE COVER OIL TANK
STAND FOOTREST
STARTER
STEERING
STEERING HANDLE CABLE
TRANSMISSION
VALVE
WATER PUMP
ALTERNATE FOR CHASSIS
CAMSHAFT CHAIN
CARBURETOR
CLUTCH
CRANKCASE
CRANKCASE COVER 1
CRANKSHAFT PISTON
CYLINDER
ELECTRICAL 1
EXHAUST
FENDER
FRAME
FRONT BRAKE CALIPER
FRONT FORK
FRONT MASTER CYLINDER
FRONT WHEEL
FRONT WHEEL KIT
FUEL TANK
GASKET KITS
GENERATOR
HANDLE SWITCH LEVER
INTAKE
OIL CLEANER
OIL PUMP
RADIATOR HOSE
REAR ARM
REAR BRAKE CALIPER
REAR MASTER CYLINDER
REAR SUSPENSION
REAR WHEEL
REAR WHEEL KIT
SEAT
SHIFT CAM FORK
SHIFT SHAFT
SIDE COVER OIL TANK
STAND FOOTREST
STARTER
STEERING
STEERING HANDLE CABLE
TRANSMISSION
VALVE
WATER PUMP
VIEW WISH LIST