340 N. Milburn Rd.
,
Fairview, UT
84629
Get Financed Now
(435) 427-3338
Toggle navigation
Fairview, UT
Home
Inventory
In-Stock Inventory
Pre-Owned Inventory
Manufacturer Models
Can-Am
Ski-Doo
Lynx
Kawasaki
Yamaha
CFMOTO
Segway
Vanderhall
Trailers
Bicycles
OEM Promotions
Value Your Trade
Shopping
Shop At Big Pine
Catalogs
Ruthless Motor Sports
Shopping Cart
Parts Fiche
Services
Service Department
Parts Department
Secure Financing
Specials
Rentals
Dealer Info
About Us
Our Staff
Map & Hours
Photo Gallery
Customer Survey
Testimonials
Employment
Links
SxS Give-Away
Calender
Contact Us
Events
Parts Fiche
Home
›
Shopping
›
Parts Fiche
Search by :
Part / Desc
VIN
Please Select
Can-Am
Kawasaki
Ski-Doo
Yamaha
*Please enter at least 3 characters
SEARCH
Manufacturer
Ski-doo
Snowmobiles
2017
EXPEDITION - 2-STROKE - LE-SE-XTREME
VIEW WISH LIST
Select a Section
Show/Hide
00- Model Numbers
01- Cooling System - 600HO E-TEC
01- Cooling System - 800R E-TEC
01- Crankcase And Water Pump - 600HO E-TEC
01- Crankcase And Water Pump - 800R E-TEC
01- Crankshaft And Pistons - 600HO E-TEC
01- Crankshaft And Pistons - 800R E-TEC
01- Cylinder And Cylinder Head - 600HO E-TEC
01- Cylinder And Cylinder Head - 800R E-TEC
01- Engine And Engine Support
01- Exhaust System
01- Rave Valve - 600HO E-TEC
01- Rave Valve - 800R E-TEC
02- Air Intake System
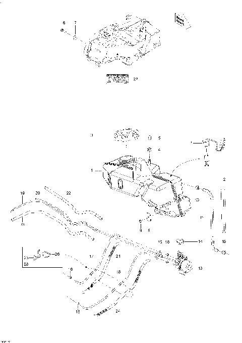
02- Fuel System
02- Oil System
03- Magneto - 600HO E-TEC
03- Magneto - 800R E-TEC
04- Electric Starter
04- Rewind Starter - 600HO E-TEC
04- Rewind Starter - 800R E-TEC
05- Drive System
05- Pulley System
05- Transmission Fast Ratio
06- Hydraulic Brakes
07- Front Shocks - 800R E-TEC
07- Front Suspension And Ski
07- Rear Shocks - 800R E-TEC
07- Steering
08- Rear Suspension - A
08- Rear Suspension - B
09- Bottom Pan
09- Decals - Package Extreme
09- Decals - Package LE, SE
09- Frame
09- Hood
09- Luggage Rack
09- Seat
09- Utilities
10- Battery And Starter
10- Electrical Harness - 600HO E-TEC
10- Electrical Harness - 800R E-TEC
10- Electrical System
10- Steering Wiring Harness
00- Model Numbers
01- Cooling System - 600HO E-TEC
01- Cooling System - 800R E-TEC
01- Crankcase And Water Pump - 600HO E-TEC
01- Crankcase And Water Pump - 800R E-TEC
01- Crankshaft And Pistons - 600HO E-TEC
01- Crankshaft And Pistons - 800R E-TEC
01- Cylinder And Cylinder Head - 600HO E-TEC
01- Cylinder And Cylinder Head - 800R E-TEC
01- Engine And Engine Support
01- Exhaust System
01- Rave Valve - 600HO E-TEC
01- Rave Valve - 800R E-TEC
02- Air Intake System
02- Fuel System
02- Oil System
03- Magneto - 600HO E-TEC
03- Magneto - 800R E-TEC
04- Electric Starter
04- Rewind Starter - 600HO E-TEC
04- Rewind Starter - 800R E-TEC
05- Drive System
05- Pulley System
05- Transmission Fast Ratio
06- Hydraulic Brakes
07- Front Shocks - 800R E-TEC
07- Front Suspension And Ski
07- Rear Shocks - 800R E-TEC
07- Steering
08- Rear Suspension - A
08- Rear Suspension - B
09- Bottom Pan
09- Decals - Package Extreme
09- Decals - Package LE, SE
09- Frame
09- Hood
09- Luggage Rack
09- Seat
09- Utilities
10- Battery And Starter
10- Electrical Harness - 600HO E-TEC
10- Electrical Harness - 800R E-TEC
10- Electrical System
10- Steering Wiring Harness
VIEW WISH LIST