340 N. Milburn Rd.
,
Fairview, UT
84629
Get Financed Now
(435) 427-3338
Toggle navigation
Fairview, UT
Home
Inventory
In-Stock Inventory
Pre-Owned Inventory
Manufacturer Models
Can-Am
Ski-Doo
Lynx
Kawasaki
Yamaha
CFMOTO
Segway
Vanderhall
Trailers
Bicycles
OEM Promotions
Value Your Trade
Shopping
Shop At Big Pine
Catalogs
Ruthless Motor Sports
Shopping Cart
Parts Fiche
Services
Service Department
Parts Department
Secure Financing
Specials
Rentals
Dealer Info
About Us
Our Staff
Map & Hours
Photo Gallery
Customer Survey
Testimonials
Employment
Links
SxS Give-Away
Calender
Contact Us
Events
Parts Fiche
Home
›
Shopping
›
Parts Fiche
Search by :
Part / Desc
VIN
Please Select
Can-Am
Kawasaki
Ski-Doo
Yamaha
*Please enter at least 3 characters
SEARCH
Manufacturer
Ski-doo
Snowmobiles
2007
Freestyle Session 300F
VIEW WISH LIST
Select a Section
Show/Hide
00- Model Numbers
01- Cooling System (300F)
01- Crankcase
01- Crankshaft, Piston And Cylinder
01- Engine And Engine Support 300F
01- Exhaust System 300F
02- Air Intake System 300F
02- Carburetor 300F
02- Fuel System 300F
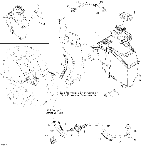
02- Oil Pump
02- Oil System 300F
03- Magneto
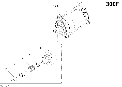
04- Electric Starter 300F
04- Rewind Starter
05- Drive System 300F
05- Pulley System 300F
06- Hydraulic Brakes
07- Front Suspension And Ski 300F
07- Steering System 300F
08- Front Arm
08- Rear Arm 300F
08- Rear Suspension
08- Rear Suspension Shocks 300F
09- Bottom Pan 300F
09- Decals 300F
09- Frame
09- Frame and Components 300F
09- Hood 300F
09- Luggage Rack
09- Seat 1
09- Utilities
10- Battery And Starter 300F
10- Electrical Accessories 300F
10- Electrical Harness
10- Electrical Harness Hood CU
10- Electrical Harness Hood, EUR
10- Steering Wiring Harness 300F
00- Model Numbers
01- Cooling System (300F)
01- Crankcase
01- Crankshaft, Piston And Cylinder
01- Engine And Engine Support 300F
01- Exhaust System 300F
02- Air Intake System 300F
02- Carburetor 300F
02- Fuel System 300F
02- Oil Pump
02- Oil System 300F
03- Magneto
04- Electric Starter 300F
04- Rewind Starter
05- Drive System 300F
05- Pulley System 300F
06- Hydraulic Brakes
07- Front Suspension And Ski 300F
07- Steering System 300F
08- Front Arm
08- Rear Arm 300F
08- Rear Suspension
08- Rear Suspension Shocks 300F
09- Bottom Pan 300F
09- Decals 300F
09- Frame
09- Frame and Components 300F
09- Hood 300F
09- Luggage Rack
09- Seat 1
09- Utilities
10- Battery And Starter 300F
10- Electrical Accessories 300F
10- Electrical Harness
10- Electrical Harness Hood CU
10- Electrical Harness Hood, EUR
10- Steering Wiring Harness 300F
VIEW WISH LIST