340 N. Milburn Rd.
,
Fairview, UT
84629
Get Financed Now
(435) 427-3338
Toggle navigation
Fairview, UT
Home
Inventory
In-Stock Inventory
Pre-Owned Inventory
Manufacturer Models
Can-Am
Ski-Doo
Lynx
Kawasaki
Yamaha
CFMOTO
Segway
Vanderhall
Trailers
Bicycles
OEM Promotions
Value Your Trade
Shopping
Shop At Big Pine
Catalogs
Ruthless Motor Sports
Shopping Cart
Parts Fiche
Services
Service Department
Parts Department
Secure Financing
Specials
Rentals
Dealer Info
About Us
Our Staff
Map & Hours
Photo Gallery
Customer Survey
Testimonials
Employment
Links
SxS Give-Away
Calender
Contact Us
Events
Parts Fiche
Home
›
Shopping
›
Parts Fiche
Search by :
Part / Desc
VIN
Please Select
Can-Am
Kawasaki
Ski-Doo
Yamaha
*Please enter at least 3 characters
SEARCH
Manufacturer
Kawasaki
Motorcycles
2021
Ninja® ZX™-10RR (US) (ZX1002NMFNL)
VIEW WISH LIST
Select a Section
Show/Hide
Accessory(Grip Heater)
Accessory(Scratch Resistant Film)
Accessory(Slider)
Air Cleaner
Balancer
Brake Pedal/Torque Link
Brake Piping
Cables
Camshaft(s)/Tensioner
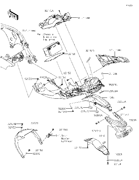
Chassis Electrical Equipment
Clutch
Cowling
Cowling Lowers
Crankcase
Crankcase Bolt Pattern
Crankshaft/Piston(s)
Cylinder Head
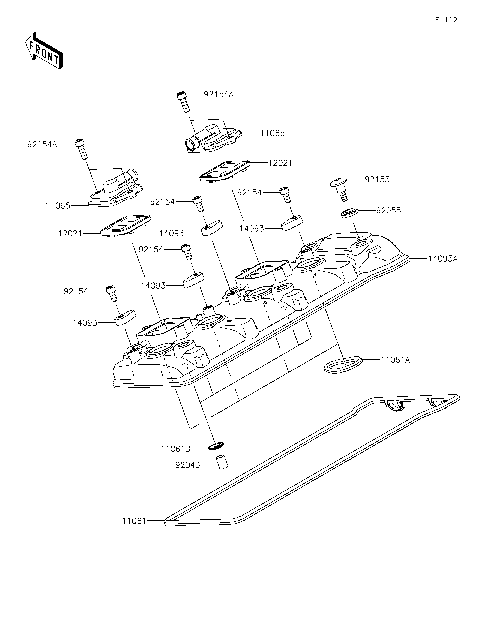
Cylinder Head Cover
Decals
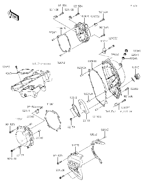
Engine Cover(s)
Engine Mount
Footrests
Frame
Frame Fittings
Front Brake
Front Fender(s)
Front Fork
Front Master Cylinder
Front Wheel
Fuel Evaporative System
Fuel Injection
Fuel Pump
Fuel Tank
Gear Change Drum/Shift Fork(s)
Gear Change Mechanism
Generator
Handlebar
Headlight(s)
Ignition Switch/Locks/Reflectors
Ignition System
Labels
Meter(s)
Muffler(s)
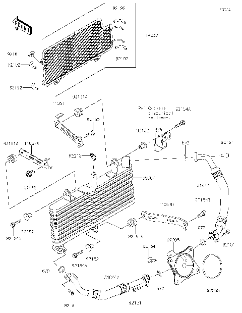
Oil Cooler
Oil Pan
Oil Pump/Oil Filter
Owner's Tools
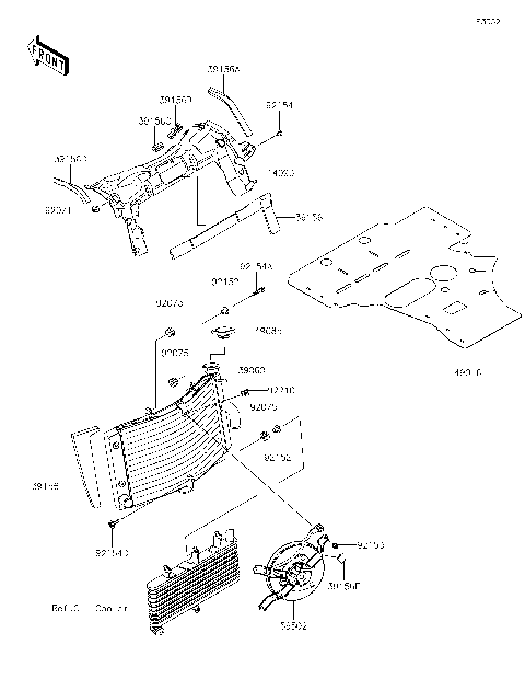
Radiator
Rear Brake
Rear Fender(s)
Rear Master Cylinder
Rear Wheel/Chain
Seat
Side Covers/Chain Cover
Stand(s)
Starter Motor
Steering Damper
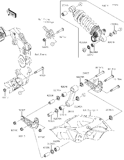
Suspension/Shock Absorber
Swingarm
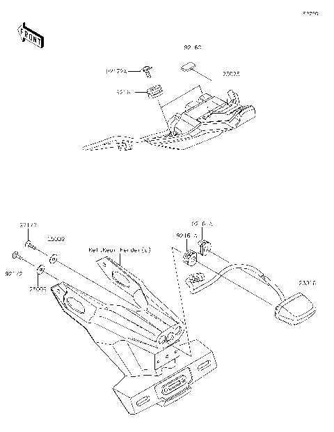
Taillight(s)
Throttle
Tires
Transmission
Turn Signals
Valve(s)
Water Pipe
Accessory(Grip Heater)
Accessory(Scratch Resistant Film)
Accessory(Slider)
Air Cleaner
Balancer
Brake Pedal/Torque Link
Brake Piping
Cables
Camshaft(s)/Tensioner
Chassis Electrical Equipment
Clutch
Cowling
Cowling Lowers
Crankcase
Crankcase Bolt Pattern
Crankshaft/Piston(s)
Cylinder Head
Cylinder Head Cover
Decals
Engine Cover(s)
Engine Mount
Footrests
Frame
Frame Fittings
Front Brake
Front Fender(s)
Front Fork
Front Master Cylinder
Front Wheel
Fuel Evaporative System
Fuel Injection
Fuel Pump
Fuel Tank
Gear Change Drum/Shift Fork(s)
Gear Change Mechanism
Generator
Handlebar
Headlight(s)
Ignition Switch/Locks/Reflectors
Ignition System
Labels
Meter(s)
Muffler(s)
Oil Cooler
Oil Pan
Oil Pump/Oil Filter
Owner's Tools
Radiator
Rear Brake
Rear Fender(s)
Rear Master Cylinder
Rear Wheel/Chain
Seat
Side Covers/Chain Cover
Stand(s)
Starter Motor
Steering Damper
Suspension/Shock Absorber
Swingarm
Taillight(s)
Throttle
Tires
Transmission
Turn Signals
Valve(s)
Water Pipe
VIEW WISH LIST