340 N. Milburn Rd.
,
Fairview, UT
84629
Get Financed Now
(435) 427-3338
Toggle navigation
Fairview, UT
Home
Inventory
In-Stock Inventory
Pre-Owned Inventory
Manufacturer Models
Can-Am
Ski-Doo
Lynx
Kawasaki
Yamaha
CFMOTO
Segway
Vanderhall
Trailers
Bicycles
OEM Promotions
Value Your Trade
Shopping
Shop At Big Pine
Catalogs
Ruthless Motor Sports
Shopping Cart
Parts Fiche
Services
Service Department
Parts Department
Secure Financing
Specials
Rentals
Dealer Info
About Us
Our Staff
Map & Hours
Photo Gallery
Customer Survey
Testimonials
Employment
Links
SxS Give-Away
Calender
Contact Us
Events
Parts Fiche
Home
›
Shopping
›
Parts Fiche
Search by :
Part / Desc
VIN
Please Select
Can-Am
Kawasaki
Ski-Doo
Yamaha
*Please enter at least 3 characters
SEARCH
Manufacturer
Kawasaki
Motorcycles
2014
ZR800 (European) (ZR800AEF)
VIEW WISH LIST
Select a Section
Show/Hide
Accessory(Engine Guard)
Accessory(Meter Cover)
Accessory(Single Seat Cover)
Air Cleaner
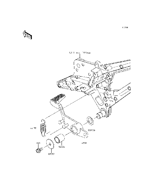
Brake Pedal
Cables
Camshaft(s)/Tensioner
Chassis Electrical Equipment
Clutch
Cowling
Cowling Lowers
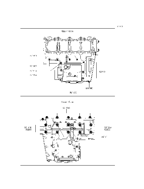
Crankcase
Crankcase Bolt Pattern
Crankshaft
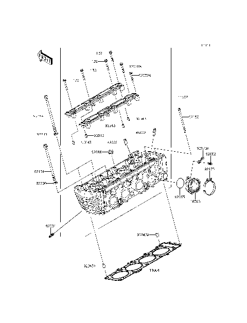
Cylinder Head
Cylinder Head Cover
Cylinder/Piston(s)
Decals(Black)(AEF)
Decals(Green)(AEF)
Decals(Orange)(AEF)
Engine Cover(s)
Engine Mount
Fenders
Footrests
Frame
Frame Fittings
Front Brake
Front Fork
Front Hub
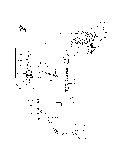
Front Master Cylinder
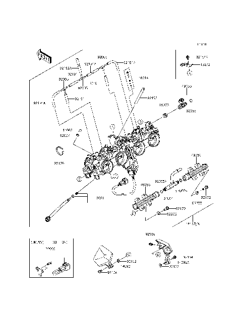
Fuel Injection
Fuel Pump
Fuel Tank(ADS/AEF)
Gear Change Drum/Shift Fork(s)
Gear Change Mechanism
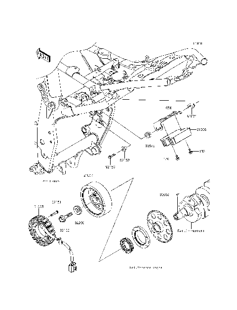
Generator
Handlebar
Headlight(s)
Ignition Switch
Ignition System
Labels
Manual
Meter(s)
Muffler(s)
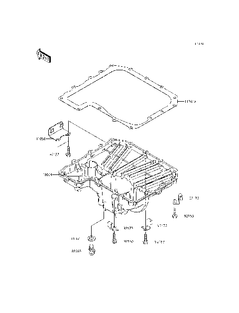
Oil Pan
Oil Pump
Owner's Tools
Radiator
Rear Brake
Rear Hub
Rear Master Cylinder
Seat
Side Covers/Chain Cover
Stand(s)
Starter Motor
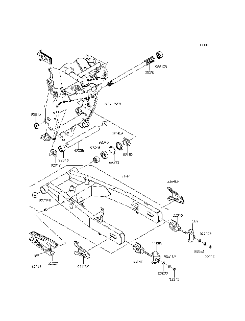
Suspension/Shock Absorber
Swingarm
Taillight(s)
Throttle
Tires
Transmission
Turn Signals
Valve(s)
Water Pipe
Accessory(Engine Guard)
Accessory(Meter Cover)
Accessory(Single Seat Cover)
Air Cleaner
Brake Pedal
Cables
Camshaft(s)/Tensioner
Chassis Electrical Equipment
Clutch
Cowling
Cowling Lowers
Crankcase
Crankcase Bolt Pattern
Crankshaft
Cylinder Head
Cylinder Head Cover
Cylinder/Piston(s)
Decals(Black)(AEF)
Decals(Green)(AEF)
Decals(Orange)(AEF)
Engine Cover(s)
Engine Mount
Fenders
Footrests
Frame
Frame Fittings
Front Brake
Front Fork
Front Hub
Front Master Cylinder
Fuel Injection
Fuel Pump
Fuel Tank(ADS/AEF)
Gear Change Drum/Shift Fork(s)
Gear Change Mechanism
Generator
Handlebar
Headlight(s)
Ignition Switch
Ignition System
Labels
Manual
Meter(s)
Muffler(s)
Oil Pan
Oil Pump
Owner's Tools
Radiator
Rear Brake
Rear Hub
Rear Master Cylinder
Seat
Side Covers/Chain Cover
Stand(s)
Starter Motor
Suspension/Shock Absorber
Swingarm
Taillight(s)
Throttle
Tires
Transmission
Turn Signals
Valve(s)
Water Pipe
VIEW WISH LIST