340 N. Milburn Rd.
,
Fairview, UT
84629
Get Financed Now
(435) 427-3338
Toggle navigation
Fairview, UT
Home
Inventory
In-Stock Inventory
Pre-Owned Inventory
Manufacturer Models
Can-Am
Ski-Doo
Lynx
Kawasaki
Yamaha
CFMOTO
Segway
Vanderhall
Trailers
Bicycles
OEM Promotions
Value Your Trade
Shopping
Shop At Big Pine
Catalogs
Ruthless Motor Sports
Shopping Cart
Parts Fiche
Services
Service Department
Parts Department
Secure Financing
Specials
Rentals
Dealer Info
About Us
Our Staff
Map & Hours
Photo Gallery
Customer Survey
Testimonials
Employment
Links
SxS Give-Away
Calender
Contact Us
Events
Parts Fiche
Home
›
Shopping
›
Parts Fiche
Search by :
Part / Desc
VIN
Please Select
Can-Am
Kawasaki
Ski-Doo
Yamaha
*Please enter at least 3 characters
SEARCH
Manufacturer
Kawasaki
Motorcycles
2007
KFX700 (KSV700A7F)
VIEW WISH LIST
Select a Section
Show/Hide
Air Cleaner
Brake Pedal
Cables
Camshaft(s)/Tensioner
Carburetor
Carburetor Parts
Chassis Electrical Equipment
Converter Cover
Crankcase
Crankshaft
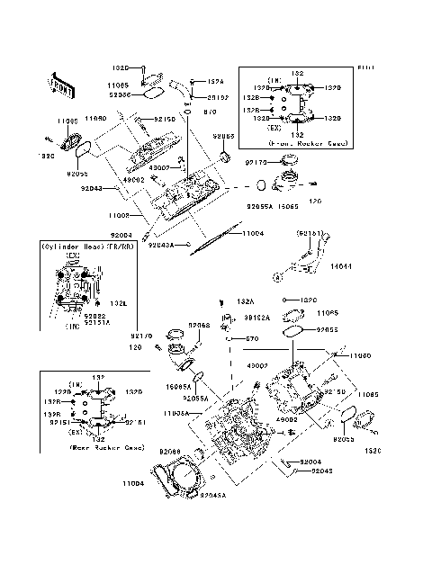
Cylinder Head
Cylinder/Piston(s)
Decals(A7F)
Drive Converter
Drive Shaft-Rear
Driven Converter/Drive Belt
Engine Cover(s)
Footrests
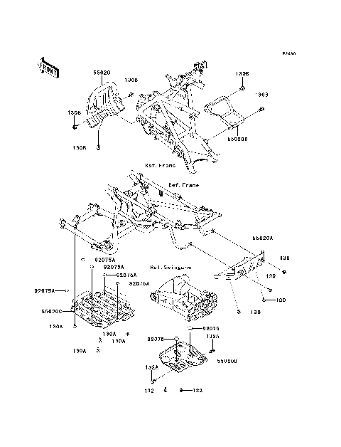
Frame
Frame Fittings
Front Bevel Gear
Front Brake
Front Fender(s)
Front Hub
Front Master Cylinder
Fuel Tank
Gear Change Mechanism
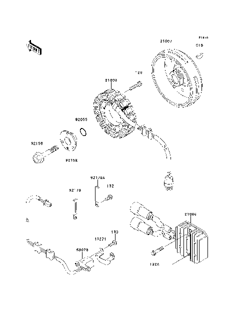
Generator
Guard(s)
Handlebar
Headlight(s)
Ignition Switch
Ignition System
Labels
Muffler(s)
Oil Pump/Oil Filter
Optional Parts
Owner's Tools
Radiator
Rear Fender(s)
Rear Hub
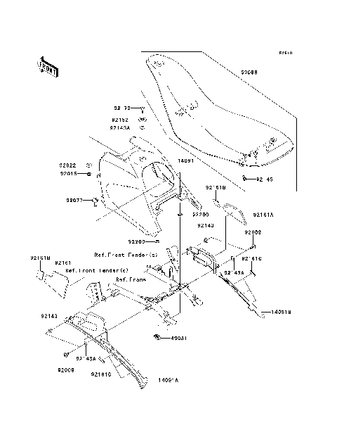
Seat
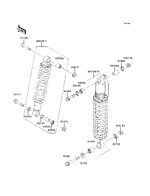
Shock Absorber(s)
Starter Motor(A7F/A8F)
Suspension
Swingarm
Taillight(s)
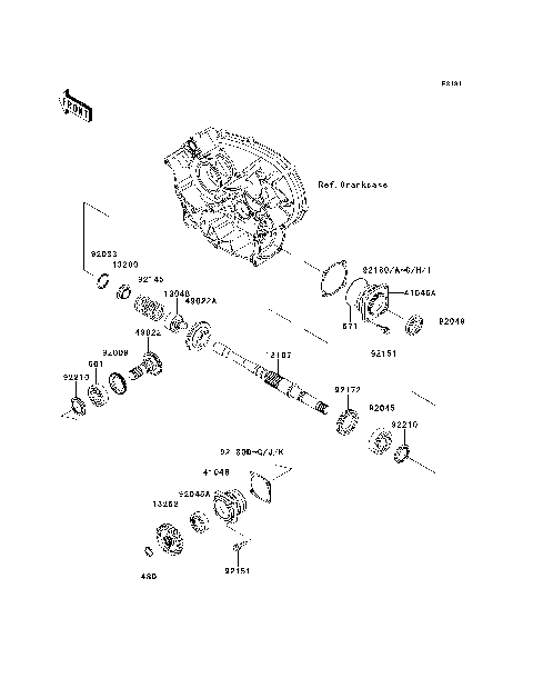
Transmission
Valve(s)
Wheels/Tires
Air Cleaner
Brake Pedal
Cables
Camshaft(s)/Tensioner
Carburetor
Carburetor Parts
Chassis Electrical Equipment
Converter Cover
Crankcase
Crankshaft
Cylinder Head
Cylinder/Piston(s)
Decals(A7F)
Drive Converter
Drive Shaft-Rear
Driven Converter/Drive Belt
Engine Cover(s)
Footrests
Frame
Frame Fittings
Front Bevel Gear
Front Brake
Front Fender(s)
Front Hub
Front Master Cylinder
Fuel Tank
Gear Change Mechanism
Generator
Guard(s)
Handlebar
Headlight(s)
Ignition Switch
Ignition System
Labels
Muffler(s)
Oil Pump/Oil Filter
Optional Parts
Owner's Tools
Radiator
Rear Fender(s)
Rear Hub
Seat
Shock Absorber(s)
Starter Motor(A7F/A8F)
Suspension
Swingarm
Taillight(s)
Transmission
Valve(s)
Wheels/Tires
VIEW WISH LIST