340 N. Milburn Rd.
,
Fairview, UT
84629
Get Financed Now
(435) 427-3338
Toggle navigation
Fairview, UT
Home
Inventory
In-Stock Inventory
Pre-Owned Inventory
Manufacturer Models
Can-Am
Ski-Doo
Lynx
Kawasaki
Yamaha
CFMOTO
Segway
Vanderhall
Trailers
Bicycles
OEM Promotions
Value Your Trade
Shopping
Shop At Big Pine
Catalogs
Ruthless Motor Sports
Shopping Cart
Parts Fiche
Services
Service Department
Parts Department
Secure Financing
Specials
Rentals
Dealer Info
About Us
Our Staff
Map & Hours
Photo Gallery
Customer Survey
Testimonials
Employment
Links
SxS Give-Away
Calender
Contact Us
Events
Parts Fiche
Home
›
Shopping
›
Parts Fiche
Search by :
Part / Desc
VIN
Please Select
Can-Am
Kawasaki
Ski-Doo
Yamaha
*Please enter at least 3 characters
SEARCH
Manufacturer
Can-Am
Utility Vehicles
2025
North America - Maverick Sport Max - 1000R EFI - XMR - 6CSD - Wildland Camo - 64" Width
VIEW WISH LIST
Select a Section
Show/Hide
01- ROTAX - Air Intake Manifold And Throttle Body
01- ROTAX - Crankcase
01- ROTAX - Crankshaft, Pistons and Cylinder
01- ROTAX - CVT
01- ROTAX - Drive Shaft
01- ROTAX - Engine Cooling
01- ROTAX - Engine Harness And Electronic Module
01- ROTAX - Engine Lubrication
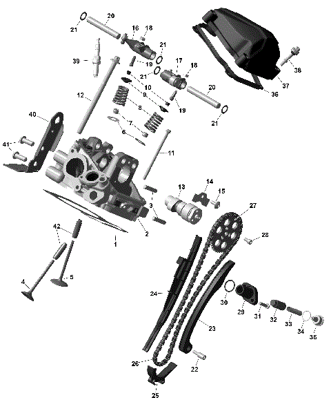
01- ROTAX - Front Cylinder Head
01- ROTAX - Gear Box 1 - 686 868 - Tremec - 2nd Generation
01- ROTAX - Gear Box 2 - 686 868 - Tremec - 2nd Generation
01- ROTAX - Gearbox Assy and Drive Shaft - 686 868 - Tremec - 2nd Generation
01- ROTAX - Magneto and Electric Starter
01- ROTAX - Rear Cylinder Head
02- Engine - Air Intake
02- Engine - Cooling
02- Engine - Exhaust
02- Engine - Fuel
02- Engine - System
03- Mechanic - Brake System
03- Mechanic - Steering
04- Drive - Front - Common Parts
04- Drive - Front - Differential Parts
04- Drive - Front Wheels
04- Drive - Rear - Common Parts
04- Drive - Rear Wheels
05- Suspension - Front Components
05- Suspension - Front Shocks
05- Suspension - Rear Components
05- Suspension - Rear Shocks
06- Frame - System
07- Body - Cargo - Lower Section
07- Body - Cargo - Upper Section
07- Body - Decals
07- Body - Front Section
07- Body - Rear Section
07- Body - Seat
07- Body - Skid Plate
07- Body - Snorkel
07- Body - Warning Decals
07- Cab Interior - Back Wall
07- Cab Interior - Center Console
07- Cab Interior - Dashboard
07- Cab Interior - Firewall
07- Cab Interior - Floor
07- Enclosure Cab - Doors
08- Electric - Front Section
08- Electric - Front Wiring Harness - 710007426
08- Electric - Main Harness - 710007803
08- Electric - Rear Section
08- Electric - Voltage Regulator Wiring - 710008403
08- Electric - Winch
08- Electric - Winch Wiring Harness - 710008266
01- ROTAX - Air Intake Manifold And Throttle Body
01- ROTAX - Crankcase
01- ROTAX - Crankshaft, Pistons and Cylinder
01- ROTAX - CVT
01- ROTAX - Drive Shaft
01- ROTAX - Engine Cooling
01- ROTAX - Engine Harness And Electronic Module
01- ROTAX - Engine Lubrication
01- ROTAX - Front Cylinder Head
01- ROTAX - Gear Box 1 - 686 868 - Tremec - 2nd Generation
01- ROTAX - Gear Box 2 - 686 868 - Tremec - 2nd Generation
01- ROTAX - Gearbox Assy and Drive Shaft - 686 868 - Tremec - 2nd Generation
01- ROTAX - Magneto and Electric Starter
01- ROTAX - Rear Cylinder Head
02- Engine - Air Intake
02- Engine - Cooling
02- Engine - Exhaust
02- Engine - Fuel
02- Engine - System
03- Mechanic - Brake System
03- Mechanic - Steering
04- Drive - Front - Common Parts
04- Drive - Front - Differential Parts
04- Drive - Front Wheels
04- Drive - Rear - Common Parts
04- Drive - Rear Wheels
05- Suspension - Front Components
05- Suspension - Front Shocks
05- Suspension - Rear Components
05- Suspension - Rear Shocks
06- Frame - System
07- Body - Cargo - Lower Section
07- Body - Cargo - Upper Section
07- Body - Decals
07- Body - Front Section
07- Body - Rear Section
07- Body - Seat
07- Body - Skid Plate
07- Body - Snorkel
07- Body - Warning Decals
07- Cab Interior - Back Wall
07- Cab Interior - Center Console
07- Cab Interior - Dashboard
07- Cab Interior - Firewall
07- Cab Interior - Floor
07- Enclosure Cab - Doors
08- Electric - Front Section
08- Electric - Front Wiring Harness - 710007426
08- Electric - Main Harness - 710007803
08- Electric - Rear Section
08- Electric - Voltage Regulator Wiring - 710008403
08- Electric - Winch
08- Electric - Winch Wiring Harness - 710008266
VIEW WISH LIST