340 N. Milburn Rd.
,
Fairview, UT
84629
Get Financed Now
(435) 427-3338
Toggle navigation
Fairview, UT
Home
Inventory
In-Stock Inventory
Pre-Owned Inventory
Manufacturer Models
Can-Am
Ski-Doo
Lynx
Kawasaki
Yamaha
CFMOTO
Segway
Vanderhall
Trailers
Bicycles
OEM Promotions
Value Your Trade
Shopping
Shop At Big Pine
Catalogs
Ruthless Motor Sports
Shopping Cart
Parts Fiche
Services
Service Department
Parts Department
Secure Financing
Specials
Rentals
Dealer Info
About Us
Our Staff
Map & Hours
Photo Gallery
Customer Survey
Testimonials
Employment
Links
SxS Give-Away
Calender
Contact Us
Events
Parts Fiche
Home
›
Shopping
›
Parts Fiche
Search by :
Part / Desc
VIN
Please Select
Can-Am
Kawasaki
Ski-Doo
Yamaha
*Please enter at least 3 characters
SEARCH
Manufacturer
Can-Am
Utility Vehicles
2014
Commander 800 STD, DPS, XT
VIEW WISH LIST
Select a Section
Show/Hide
00- Model Numbers
01- Cooling System
01- Crankcase
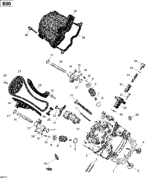
01- Crankshaft, Piston And Cylinder
01- Cylinder Head, Front
01- Cylinder Head, Rear
01- Engine
01- Engine Cooling
01- Engine Lubrication
01- Exhaust System
02- Air Intake
02- Air Intake Manifold And Throttle Body
02- Fuel System
03- Magneto And Electric Starter
05- Gear Box 1
05- Gear Box 2
05- Transmission
06- Brakes
06- Brakes - With Locking Rear Differential_22C1401a
07- Drive System, Front
07- Front Suspension
07- Steering
08- Drive Shaft
08- Drive System, Rear
08- Drive System, Rear - With Locking Rear Differential_13C1401a
08- Rear Suspension
08- Rear Suspension - With Locking Rear Differential_26C1401a
09- Body And Accessories
09- Cab Interior
09- Decals
09- Decals - With Locking Rear Differential_32C1401a
09- Frame
09- Frame - With Locking Rear Differential_30C1401a
09- Mirrors And Tools
09- Rear Cargo Box
09- Seat
10- Electrical Harness Cablage Europe
10- Electrical Harness Main Harness
10- Electrical Harness Rear, EUROPE
10- Electrical Harness Rear, NA_Inter
10- Electrical Harness Tail Gate, EUROPE
10- Electrical System - With Locking Rear Differential_20C1401b
10- Electrical System All Models
10- Engine Harness And Electronic Module
00- Model Numbers
01- Cooling System
01- Crankcase
01- Crankshaft, Piston And Cylinder
01- Cylinder Head, Front
01- Cylinder Head, Rear
01- Engine
01- Engine Cooling
01- Engine Lubrication
01- Exhaust System
02- Air Intake
02- Air Intake Manifold And Throttle Body
02- Fuel System
03- Magneto And Electric Starter
05- Gear Box 1
05- Gear Box 2
05- Transmission
06- Brakes
06- Brakes - With Locking Rear Differential_22C1401a
07- Drive System, Front
07- Front Suspension
07- Steering
08- Drive Shaft
08- Drive System, Rear
08- Drive System, Rear - With Locking Rear Differential_13C1401a
08- Rear Suspension
08- Rear Suspension - With Locking Rear Differential_26C1401a
09- Body And Accessories
09- Cab Interior
09- Decals
09- Decals - With Locking Rear Differential_32C1401a
09- Frame
09- Frame - With Locking Rear Differential_30C1401a
09- Mirrors And Tools
09- Rear Cargo Box
09- Seat
10- Electrical Harness Cablage Europe
10- Electrical Harness Main Harness
10- Electrical Harness Rear, EUROPE
10- Electrical Harness Rear, NA_Inter
10- Electrical Harness Tail Gate, EUROPE
10- Electrical System - With Locking Rear Differential_20C1401b
10- Electrical System All Models
10- Engine Harness And Electronic Module
VIEW WISH LIST